产品概述
意大利式气动薄型球阀阀体是吸收意大利技术并经国产化设计而发展出来的新型超短法兰距球阀。不锈钢气动薄型球阀采用高平台设计,具有结构紧凑、尺寸小、重量轻、摩擦阻力小、回差小、动作稳定可靠等优点。 气动薄型球阀启闭件(球体)由阀杆带动,并绕阀杆的轴线作旋转运动的阀门。气动薄型球阀主要用于截断或接通管路中的介质,亦可用于流体的调节与控制,其中硬密封V型球阀其V型球芯与堆焊硬质合金的金属阀座之间具有很强的剪切力,特别适用于含纤维、微小固体颗料等介质
产品特点
1、该薄型球阀是吸收意大利技术并经国产化设计而发展出来的新型超短法兰距球阀。
2、采用直连方式执行机构连接,具有结构紧凑、尺寸小、重量轻、摩擦阻力小、回差小、动作稳定可靠等优点。
3、球芯通道形状有矩形、V形及O形。该产品具有结构紧凑、体积小、重量轻、安装方便等特点,可广泛应用在石油、化工、冶金、电站、轻工等领域,对油、水、气及纸浆或纤维状流体进行自动调节或切断控制。
工作原理
GFQ671F气动对夹球阀由意式对夹球阀和GT气动执行器组成,气动执行器分为双作用型气动执行器和单作用型气动执行器,通过电磁阀控制,实现球阀开关动作。气动球阀可实现智能化控制,快速开启或关闭管路,能有效的对管网进行控制和管理。
技术参数
阀体
阀门内件
性能参数
执行器参数
主要零部件材质
意大利式气动薄型球阀阀体是吸收意大利技术并经国产化设计而发展出来的新型超短法兰距球阀。不锈钢气动薄型球阀采用高平台设计,具有结构紧凑、尺寸小、重量轻、摩擦阻力小、回差小、动作稳定可靠等优点。 气动薄型球阀启闭件(球体)由阀杆带动,并绕阀杆的轴线作旋转运动的阀门。气动薄型球阀主要用于截断或接通管路中的介质,亦可用于流体的调节与控制,其中硬密封V型球阀其V型球芯与堆焊硬质合金的金属阀座之间具有很强的剪切力,特别适用于含纤维、微小固体颗料等介质
产品特点
1、该薄型球阀是吸收意大利技术并经国产化设计而发展出来的新型超短法兰距球阀。
2、采用直连方式执行机构连接,具有结构紧凑、尺寸小、重量轻、摩擦阻力小、回差小、动作稳定可靠等优点。
3、球芯通道形状有矩形、V形及O形。该产品具有结构紧凑、体积小、重量轻、安装方便等特点,可广泛应用在石油、化工、冶金、电站、轻工等领域,对油、水、气及纸浆或纤维状流体进行自动调节或切断控制。
工作原理
GFQ671F气动对夹球阀由意式对夹球阀和GT气动执行器组成,气动执行器分为双作用型气动执行器和单作用型气动执行器,通过电磁阀控制,实现球阀开关动作。气动球阀可实现智能化控制,快速开启或关闭管路,能有效的对管网进行控制和管理。
技术参数
阀体
| 阀体形式 | 直通铸造超短阀 |
| 公称通径 | DN15~150mm |
| 公称压力 | 国标PN1.6、2.5、4.0、6.4 MPa;美标ANSI 150、300LB;日标JIS 10、20、30K |
| 法兰标准 | JIS、ANSI、GB、JB、HG等 |
| 连接形式 | 法兰式、对夹式 |
| 压盖型式 | 螺母压紧式 |
| 密封填料 | V型聚四氟乙烯填料、柔性石墨填料等 |
| 阀芯形式 | O型球体阀芯 |
| 流量特性 | 近似快开型 |
性能参数
| 公称通径DN(mm) | 15 | 20 | 25 | 32 | 40 | 50 | 65 | 80 | 100 | 125 | 150 | 200 | 250 | 300 |
| 允许压差(MPa) | ≤公称压力 | |||||||||||||
| 动作范围 | 0~90° | |||||||||||||
| 泄露量Q | 按GB/T4213-92,小于额定KV0.01% (软密封为零泄露) | |||||||||||||
| 基本误差 | 带定位器:小于全行程的±2% | |||||||||||||
| 回差 | 带定位器:小于全行程的2% | |||||||||||||
| 试验压力(MPa) | 公称压力(MPa) | 压力级(class) | JIS(K) | |||||
| 1.6 | 2.5 | 4.0 | 6.4 | 150 | 300 | 10K | 20K | |
| 强度试验 | 2.4 | 3.75 | 6.0 | 9.6 | 3.0 | 7.5 | 2.4 | 3.8 |
| 密封试验 | 1.76 | 2.75 | 4.4 | 7.04 | 2.2 | 5.5 | 1.5 | 2.8 |
| 气密试验 | 0.5~0.7MPa | |||||||
执行器参数
| 执行器型号 | GT、SR、ST、AT、AW系列单双作用气动执行器 |
| 供气压力 | 0.4~0.7MPa |
| 气源接口 | G1/4"、G1/8"、G3/8"、G1/2" |
| 环境温度 | -20~+90℃ |
| 作用形式 | 单作用执行机构:气关式(B)--失气时阀位开(FO);气开式(K)--失气时阀位关(FC) 双作用执行机构:气关式(B)--失气时阀位保持(FL);气开式(K)--失气时阀位保持(FL) |
| 可配附件 | 定位器、电磁阀、空气过滤减压器、保位阀、行程开关、阀位传送器、手轮机构等 |
主要零部件材质
| 1 | 阀体 | WCB、CF8、CF8M、CF3M |
| 2 | 压圈 | 2Cr13、304、316 |
| 3 | 阀座 | PEFE、PPL、304 |
| 4 | 球体 | 2Cr13、304、316 |
| 5 | 阀杆 | 2Cr13、304、316 |
| 6 | 密封填料 | PTFE/柔性石墨 |
| 7 | 螺母压盖 | 2Cr13、304、316 |
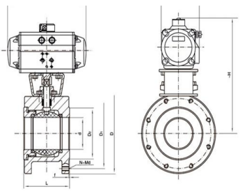
产品结构图
外形尺寸
| 公称通径DN(mm) | 15 | 20 | 25 | 32 | 40 | 50 | 65 | 80 | 100 | 125 | 150 |
| L | 108 | 112 | 114 | 127 | 140 | 140 | 152 | 165 | 178 | 190 | 216 |
| H | 112 | 115 | 120 | 140 | 170 | 180 | 210 | 240 | 290 | 320 | 350 |
| D | 165 | 185 | 200 | 220 | 250 | 285 | 340 | 405 | 460 | 520 | 580 |
| D1 | 125 | 145 | 160 | 180 | 210 | 240 | 295 | 355 | 410 | 470 | 525 |
| D2 | 46 | 56 | 65 | 76 | 84 | 99 | 118 | 132 | 156 | 184 | 211 |
| A | 根据阀门压力大小而定。配置执行器不同,外形尺寸也不相同。可进入气动执行器页面查阅。 | ||||||||||

